HAOSAIL cuenta con más de 10 patentes de invención y 40 patentes de modelos de utilidad, lo que refleja nuestro compromiso con la I+D y el avance tecnológico.
Priorizamos rigurosos procesos de control de calidad y pruebas para garantizar el cumplimiento de las normas internacionales y los requisitos del cliente.
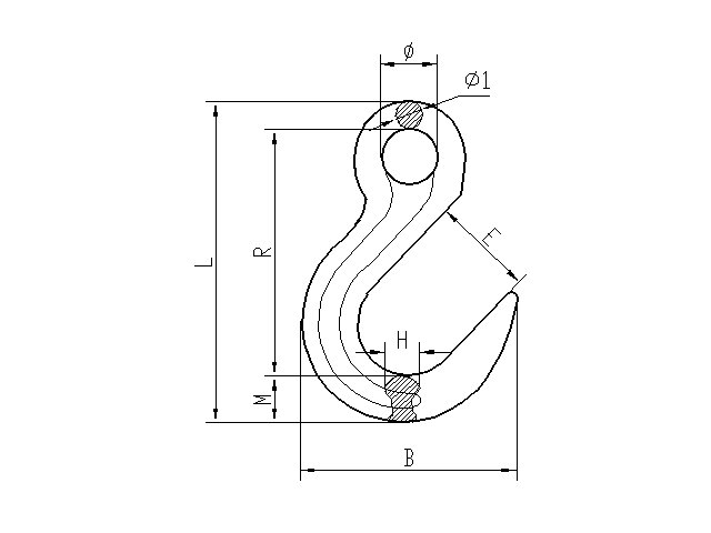
El gancho para eslinga de ojo grande G100 es un gancho de elevación de alta resistencia, forjado en acero de aleación G100 y tratado térmicamente para una excelente resistencia y tenacidad. Su diseño de ojo grande facilita la conexión con eslingas como cadenas y cables de acero, y su amplia boca permite soportar cargas más grandes o de formas irregulares. Generalmente, está equipado con un dispositivo de bloqueo para garantizar la seguridad de la elevación. Su carga límite de trabajo suele estar entre 1,4 y 19 toneladas, y se utiliza ampliamente en operaciones de elevación en la construcción y la industria.
![]()
| N.º de stock | Tamaño (mm) | Carga útil máxima (t) | Dimensiones (mm) | Peso (kg) | |||||
| F | φ1 | B | Y | R | L | ||||
| HS1031401 | 6-10 | 1.4 | 20.5 | 10 | 100 | 49 | 102.7 | 133 | 0,38 |
| HS1031402 | 8-10 | 2.5 | 24 | 12 | 130 | 62 | 120.5 | 158.5 | 0,72 |
| HS1031403 | 10-10 | 4 | 31.5 | 15 | 152.5 | 73 | 153.2 | 199 | 1.25 |
| HS1031404 | 13-10 | 6.7 | 44 | 19 | 186 | 90 | 184 | 241.5 | 2.32 |
| HS1031405 | 16-10 | 10 | 49 | 22 | 218 | 105 | 216 | 279 | 3.45 |
Acero de superaleación forjado - Templado y revenido
25% más fuerte que el G80
En cada lote de productos se realizan pruebas estrictas de muestreo y rotura.
Detección de grietas con Magnaflux al 100 %
Tratamiento superficial: Plastificado en polvo
Código de color: Azul RAL5015
La carga máxima es 4 veces el límite de carga de trabajo
Construcción de edificios: En la construcción de edificios de gran altura, se puede utilizar para izar componentes de gran tamaño, como paneles de pared prefabricados y vigas de acero. Su amplia abertura facilita la conexión rápida de cables o cadenas de izado y se adapta a las necesidades de izado de componentes de diferentes tamaños. En la construcción de puentes, puede izar segmentos de puentes, plantillas de pilares, etc., y colaborar con grúas y otros equipos para colocar los componentes con precisión en las ubicaciones designadas y garantizar el correcto avance de la construcción.
Fabricación industrial: En talleres de fabricación de maquinaria pesada, se utiliza a menudo para izar grandes motores, transformadores y otros equipos. Puede funcionar junto con grúas, grúas pórtico, etc., para izar equipos desde el área de ensamblaje hasta el área de pruebas o el almacén. Su amplia abertura permite conectar fácilmente eslingas de diferentes especificaciones, lo que facilita el ajuste del ángulo y la posición de izado del equipo. En la industria automotriz, se puede utilizar para izar componentes grandes, como moldes de automóviles, para garantizar una transferencia eficiente de materiales en la línea de producción.
Minería: Se utiliza para la instalación y el mantenimiento de equipos mineros grandes y medianos en minas, como la elevación de cucharones de excavadoras, piezas de trituradoras, etc. En el enlace de transporte de mineral, este se puede izar desde el frente de mina hasta la planta de beneficio, y se complementa con equipos de elevación para garantizar la seguridad y eficiencia del transporte. Además, en las operaciones de soporte de túneles mineros, se pueden izar materiales de soporte para garantizar la seguridad de la mina.
Transporte portuario: En operaciones de carga y descarga portuarias, se puede utilizar para izar grandes contenedores o cucharas de carga a granel. Su diseño de amplia apertura facilita la conexión con diversos polipastos para mejorar la eficiencia de carga y descarga. En el mantenimiento de buques, se pueden izar piezas grandes, como motores y hélices, lo que facilita al personal de mantenimiento las inspecciones y sustituciones.
Transporte: En el transporte por carretera, se utiliza para fijar mercancías de gran tamaño, como palas de aerogeneradores. Una vez amarrado el gancho a la carga, se conecta al dispositivo de fijación del vehículo de transporte a través de la amplia anilla de apertura para garantizar la estabilidad de la carga durante el transporte. En la construcción ferroviaria, se pueden izar materiales como rieles y traviesas, y se pueden realizar trabajos de tendido y mantenimiento de vías férreas con grúas ferroviarias.
Petroquímica: En las empresas petroquímicas, se utiliza a menudo para izar equipos de gran tamaño, como reactores y tanques de almacenamiento de petróleo, para facilitar la instalación, la puesta en marcha y el mantenimiento de los equipos. En el yacimiento petrolífero, se pueden izar unidades de bombeo, dispositivos de boca de pozo, etc., para garantizar el normal funcionamiento de la producción petrolera. Asimismo, se puede utilizar para elevar materias primas y productos químicos, garantizando así el transporte seguro de materiales dentro de la planta.
Q1: ¿Cuál es la carga nominal de trabajo del gancho de eslinga de ojo abierto G100?
El rango de carga límite de trabajo suele estar entre 1,4 y 19 toneladas, según las especificaciones del producto.
Q3: ¿Cuál es el factor de seguridad de este gancho?
El factor de seguridad general es de 4:1, lo que significa que puede soportar 4 veces la carga nominal de trabajo sin romperse.
Q3: ¿Qué diseños de protección de seguridad tiene el gancho?
Generalmente está equipado con un dispositivo de bloqueo para evitar la caída accidental del objeto colgado. Además, se somete a estrictas inspecciones de calidad, como la inspección 100% de partículas magnéticas para detectar grietas, para garantizar la seguridad.
Q3: ¿Qué eslingas se pueden usar con él?
Se puede usar con cadenas G100 y también es adecuado para eslingas de cable, eslingas de cinta, etc.
Q3: ¿Cuáles son los requisitos para la instalación de eslingas al usarlo? La parte superior de la eslinga debe colgarse en el centro de la fuerza del gancho y no puede colgarse directamente en la punta.
Q2: ¿De qué material está hecho el gancho?
Está forjado en acero de aleación de alta resistencia, generalmente acero de aleación G100, y templado y revenido.
Q3: ¿Cuál es el tratamiento de la superficie?
El más común es la pulverización de plástico, y algunos productos tienen una superficie pintada de rojo.
Q3: ¿A qué pruebas de calidad se someten los productos?
Se someterán a una inspección 100% de partículas magnéticas, a una prueba de carga de 2,5 veces la carga límite de trabajo y a una prueba de fatiga de 20.000 ciclos a 1,5 veces la carga límite de trabajo.
Q3: ¿Qué estándares industriales cumple?
Suele cumplir con la norma europea EN 1677, y también puede cumplir con normas como ASME B30.10, ASME B30.26, etc.
Q3: ¿Cuándo se debe desechar el gancho?
Aparecen grietas; el desgaste de la sección peligrosa excede el valor especificado (para ganchos fabricados según GBl0051.2, no debe exceder el 5% de la altura original; para ganchos fabricados según estándares de la industria, debe exceder el 10% del tamaño original); el grado de apertura aumenta en un 15% en comparación con el original; la deformación torsional excede los 10 grados; se produce una deformación plástica en la sección peligrosa o en el cuello del gancho, etc., entonces el gancho debe desecharse.
Si tiene alguna pregunta o necesidad sobre el producto, rellene el siguiente formulario y nos pondremos en contacto con usted lo antes posible.
Accesorios G100
Accesorios G100
Accesorios G100
Accesorios G100
Accesorios G100
Accesorios G100
Accesorios G100
Accesorios G100
Accesorios G100
Accesorios G100
Accesorios G100
Accesorios G100
Conozca Haosail, nuestras actualizaciones y todas las novedades, directamente en su bandeja de entrada.
Piso 7, Edificio 93, Sede de R&F, n.° 1, Changcheng South Road, Distrito de Chengyang, Ciudad de Qingdao, Provincia de Shandong, China 266109
Copyright © 2025 Qingdao Haosail Machinery Co., Ltd. Todos los derechos reservados. Desarrollado por Hicheng