HAOSAIL cuenta con más de 10 patentes de invención y 40 patentes de modelos de utilidad, lo que refleja nuestro compromiso con la I+D y el avance tecnológico.
Priorizamos rigurosos procesos de control de calidad y pruebas para garantizar el cumplimiento de las normas internacionales y los requisitos del cliente.
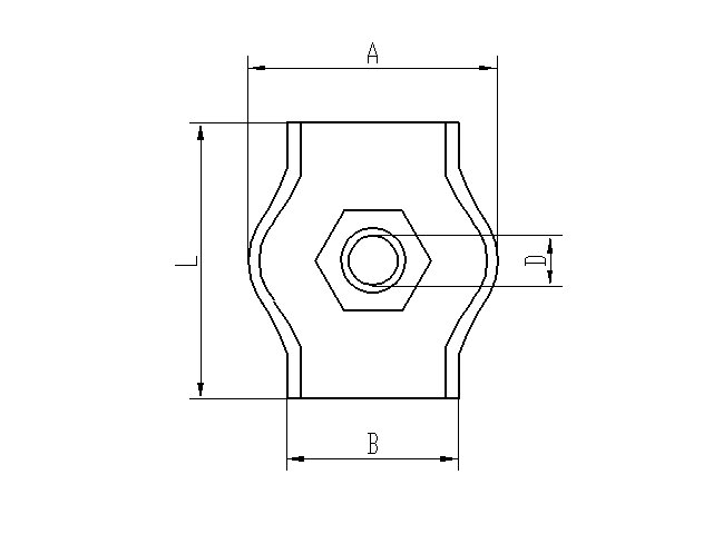
Los clips simplex generalmente se refieren a abrazaderas de cable de acero de un solo perno, que son un tipo de conector que se usa para fijar cables de acero y se usan comúnmente en construcción, barcos, aparejos y otros campos. Generalmente están compuestos por un perno y una placa de presión, y tienen una estructura simple. El cable se sujeta y fija pasando el cable alrededor del perno y luego apretando la tuerca en la placa de presión. Se puede utilizar para crear ojales de cable de acero.
Los materiales comunes incluyen acero inoxidable 304, acero inoxidable 316 y acero al carbono. El acero inoxidable tiene buena resistencia a la corrosión y es adecuado para entornos como gases húmedos y corrosivos; El acero al carbono generalmente está galvanizado, lo que también puede proporcionar cierta resistencia a la oxidación y tiene un costo relativamente bajo.
![]()
| Nº de inventario | Tamaño del cable (mm) | A (mm) | B(mm) | D (hilo) | L(mm) |
| HS4030601 | 2 | 12 | 4 | M4 | 15 |
| HS4030602 | 3 | 14 | 6 | M4 | 17 |
| HS4030603 | 4 | 16.5 | 8 | M5 | 20 |
| HS4030604 | 5 | 20 | 10 | M5 | 25 |
| HS4030605 | 6 | 24 | 12 | M6 | 30 |
| HS4030606 | 8 | 30 | 16 | M8 | 37 |
| HS4030607 | 10 | 35 | 20 | M10 | 42 |
Estructura simple, fácil instalación
Solo consta de un solo perno, una placa de presión y una tuerca, y el número de piezas es más de un 50% menor que el de la abrazadera de cuerda forjada estadounidense (perno en U + sillín + tuerca doble). No es necesario distinguir la dirección de la cuerda principal y la cola de la cuerda durante la instalación. Simplemente coloque el cable en la ranura de la abrazadera y apriete los pernos. La fijación puede ser completada en 30 segundos por una sola persona, lo que es especialmente adecuado para espacios estrechos o escenarios de conexión rápida temporal (como cuerdas de jardinería, paquetes de luz).
Diseño ligero, menor costo
Bajo el mismo diámetro de cable compatible, el peso es un 40% -60% más liviano que la abrazadera de cuerda estadounidense (por ejemplo, la abrazadera de cable de un solo perno para cable de acero de 6 mm es de aproximadamente 20 g y el modelo forjado estadounidense es de aproximadamente 50 g), lo que ahorra peso de transporte e instalación. El costo de fabricación es un 30% -40% más bajo, lo que es adecuado para escenas de luz compradas a granel (como la fijación de refuerzo de invernaderos agrícolas y la conexión de tendederos civiles).
Los clips Simplex (clips de cable de acero de un solo perno) se utilizan principalmente en escenarios de fijación ligera, no portante o temporal debido a sus características estructurales y de rendimiento. Las áreas de aplicación específicas y los usos típicos son los siguientes:
Escenarios civiles y de jardinería
Agrupación diaria de luces: como fijar los dos extremos del tendedero familiar, conectar la cuerda de la barandilla del balcón y agrupar temporalmente los muebles cuando se mueve (carga ≤200 kg). Se puede arreglar rápidamente aprovechando sus convenientes características de instalación y se puede reutilizar después del desmontaje.
Jardinería y agricultura: fijación del esqueleto del invernadero de hortalizas (cable de acero de 6-8 mm), conexión de la cuerda de soporte del árbol frutal y apriete de la red de la cerca del macizo de flores. Debido a que el ambiente es mayormente seco o ligeramente húmedo, el modelo galvanizado de acero al carbono puede cumplir con los requisitos de uso durante 3-5 años, con bajo costo y mantenimiento simple.
Escenarios auxiliares de la industria ligera
Fijación temporal de equipos: agrupación temporal antideslizante de máquinas pequeñas (como taladros de banco y amoladoras) en el taller (fijada en el borde del banco de trabajo) y la conexión de cable de límite de mercancías ligeras (≤500 kg) en los estantes de almacenamiento. No hay necesidad de soportar peso durante mucho tiempo, y la estructura de un solo perno puede ajustar rápidamente la estanqueidad.
Fijación auxiliar de cables y tuberías: Fijación auxiliar por cuerda de bandejas portacables en proyectos de corriente débil (soporte no portante), instalación temporal y apriete de pequeñas tuberías de PVC (diámetro ≤50mm), para evitar el desgaste o desplazamiento causado por la flacidez de los cables.
Construcción de instalaciones temporales al aire libre
Fijación temporal de toldo/tienda de campaña: se utiliza para fijar la conexión entre la cuerda de la tienda y el punto de anclaje al suelo en actividades al aire libre (como campamentos y ferias), adecuado para cuerda de nailon de 4-6 mm o cable de acero delgado, para hacer frente a la tensión bajo la fuerza del viento a corto plazo (≤5 niveles) y fácil de almacenar después del desmontaje.
Instalación de pequeñas vallas publicitarias / letreros: La fijación de cuerda inclinada de letreros ligeros al borde de la carretera (peso ≤ 10 kg) conecta el cable de acero al soporte a través de una abrazadera de cable de un solo perno para cumplir con los requisitos de estabilidad en entornos de brisa diaria y facilitar el ajuste de ángulos más tarde.
Q1: ¿Se pueden usar las abrazaderas Simplex para izar objetos pesados?
Respuesta: Absolutamente no.
Las abrazaderas Simplex se cargan con un solo perno y tienen una capacidad de carga limitada (la carga nominal suele ser ≤1 tonelada). Su resistencia al impacto y su capacidad de carga continua son mucho menores que las de las abrazaderas de cable forjadas estadounidenses. Al izar objetos pesados (especialmente cargas dinámicas, como grúas y grúas torre), los pernos pueden estirarse y deformarse, y los cables pueden resbalar, causando caídas accidentales, lo cual es una operación ilegal.
Q4: ¿Cómo elegir las especificaciones adecuadas para las abrazaderas Simplex?
Respuesta: El diámetro del cable debe coincidir estrictamente con la especificación y no se puede usar más allá de ella.
El diámetro de la ranura de la abrazadera debe ser coherente con el diámetro del cable (por ejemplo, un cable de 6 mm debe usarse con una abrazadera de 6 mm). Si es demasiado grande, no se sujetará firmemente, y si es demasiado pequeño, lo comprimirá y dañará. Rango de especificaciones comunes: apto para cables de acero de 2 mm a 8 mm. Se prohíbe el uso de abrazaderas de un solo perno para cables de acero de más de 8 mm (no existen modelos de alta resistencia correspondientes).
Q4: ¿Qué tan apretados deben apretarse los pernos durante la instalación? ¿Existe algún par de apriete requerido?
Respuesta: La norma es "ligera deformación del cable, pero sin rotura de ningún alambre". No hay un par de apriete fijo, pero se debe evitar apretar demasiado.
Apriete manualmente hasta que la llave no pueda girarse fácilmente (aproximadamente 20-50 N·m, según las especificaciones). Apretar demasiado puede provocar que la placa de presión aplaste el cable, lo que reducirá la resistencia general.
Se recomienda realizar comprobaciones después de la instalación: sacuda el cable de acero manualmente para comprobar que no esté suelto; observe el cable en la abrazadera para comprobar que no haya deformaciones ni roturas.
Q5: ¿Se pueden utilizar las abrazaderas Simplex de acero inoxidable en la playa?
Respuesta: Se puede utilizar acero inoxidable 316, pero se debe usar acero inoxidable 304 con precaución y el acero al carbono está prohibido. El ambiente costero presenta un alto contenido de sal y humedad. El acero inoxidable 316 contiene molibdeno y su resistencia a la corrosión por iones de cloruro es de 2 a 3 veces mayor que la del acero inoxidable 304. Su vida útil es de 1 a 3 años (con mantenimiento regular); el acero inoxidable 304 puede oxidarse localmente en un año en un entorno con alta concentración de niebla salina; los modelos de acero al carbono galvanizado se oxidan y fallan en 3 meses.
Q3: ¿Se pueden reutilizar los clips Simplex? ¿Hay un límite de veces?
Respuesta: Se pueden reutilizar de 3 a 5 veces en entornos sin carga, y se recomienda usarlos una vez en entornos con carga.
Antes de reutilizarlos, compruebe si la rosca del perno está desgastada (si no se puede girar con suavidad, se desechará), si la placa de presión está deformada (un arco anormal en la ranura del clip provocará una fuerza desigual) y si hay grietas en la superficie (especialmente en los modelos de acero al carbono). Si se utiliza para situaciones de soporte de carga discontinua, como agrupar y tirar de cuerdas (como la fijación de jardinería), se puede reutilizar después de confirmar que no haya daños; si ha estado sujeto a una fuerza de tracción cercana a la carga nominal, se recomienda reemplazarlo directamente.
Si tiene alguna pregunta o necesidad sobre el producto, rellene el siguiente formulario y nos pondremos en contacto con usted lo antes posible.
Clip de cable de acero
Clip de cable de acero
Clip de cable de acero
Clip de cable de acero
Clip de cable de acero
Clip de cable de acero
Clip de cable de acero
Conozca Haosail, nuestras actualizaciones y todas las novedades, directamente en su bandeja de entrada.
Piso 7, Edificio 93, Sede de R&F, n.° 1, Changcheng South Road, Distrito de Chengyang, Ciudad de Qingdao, Provincia de Shandong, China 266109
Copyright © 2025 Qingdao Haosail Machinery Co., Ltd. Todos los derechos reservados. Desarrollado por Hicheng