HAOSAIL cuenta con más de 10 patentes de invención y 40 patentes de modelos de utilidad, lo que refleja nuestro compromiso con la I+D y el avance tecnológico.
Priorizamos rigurosos procesos de control de calidad y pruebas para garantizar el cumplimiento de las normas internacionales y los requisitos del cliente.
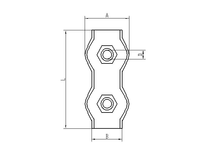
Duplex Clips es un accesorio de fijación de cable de acero con diseño de doble perno, que consta de dos placas de presión simétricas, dos pernos y tuercas. La fuerza de sujeción simétrica de los pernos dobles fija el cable, formando una conexión más estable que la abrazadera de cable de un solo perno (Simplex Clips). Los materiales incluyen acero al carbono (galvanizado), acero inoxidable 304 y acero inoxidable 316, y son adecuados para cables de acero con un rango de diámetro de 4 mm a 12 mm. Su diseño tiene en cuenta tanto la comodidad de instalación como la capacidad de carga media. Es adecuado para la industria ligera, instalaciones al aire libre, etc., que requieren una mayor resistencia de conexión que las abrazaderas de cable de un solo perno, pero no requieren abrazaderas de cuerda forjadas pesadas, como tracción de maquinaria agrícola, fijación auxiliar de elevación pequeña, etc.
![]()
| Nº de inventario | Tamaño del cable (mm) | A (mm) | B(mm) | D (hilo) | L(mm) |
| HS4030701 | 2 | 11.5 | 4 | M4 | 30 |
| HS4030702 | 3 | 14 | 6 | M4 | 35 |
| HS4030703 | 4 | 16.5 | 8 | M5 | 40 |
| HS4030704 | 5 | 20 | 10 | M5 | 50 |
| HS4030705 | 6 | 24 | 12 | M6 | 60 |
| HS4030706 | 8 | 30 | 16 | M8 | 75 |
| HS4030707 | 10 | 35 | 20 | M10 | 85 |
Los pernos dobles están tensados simétricamente y se mejora la capacidad de carga.
En comparación con el diseño de un solo perno, los pernos dobles se distribuyen simétricamente a lo largo del eje del cable y la fuerza de sujeción se dispersa uniformemente (el área de contacto es un 40% más alta que la de los clips Simplex). La carga nominal de trabajo puede alcanzar de 1 a 3 toneladas (cuando se adapta a un cable de acero de 12 mm), que es 2-3 veces mayor que la de la abrazadera de cable de un solo perno de la misma especificación, y puede cumplir con los requisitos de carga media de escenas industriales ligeras (como paquetes de carga de montacargas pequeños y fijación de vallas publicitarias al aire libre).
Estructura estable y fuerte anti-aflojamiento
Los pernos dobles se fijan de manera "envolvente" a través de dos placas de presión. En un entorno vibratorio (como la tracción de tractores y el transporte de camiones), la probabilidad de aflojamiento se reduce en más del 60% en comparación con una abrazadera de cable de un solo perno. El espaciado de los pernos está optimizado (generalmente 1.5-2 veces el diámetro del cable de acero), lo que puede evitar efectivamente que el cable de acero gire o se deslice en la abrazadera, y es adecuado para escenas de tensión dinámica.
Instalación flexible y amplia adaptabilidad
No es necesario distinguir la dirección de la cuerda principal y la cola de la cuerda. Los dos pernos se pueden apretar en pasos (apriete previamente un lado primero, luego ajuste el otro lado), lo cual es conveniente para operar en espacios estrechos. Es adecuado para varios tipos de cables de acero. Además de los cables de acero convencionales, también se puede utilizar para cuerdas de fibra sintética con diámetros similares (como cuerdas de poliéster). El daño a la cuerda es menor que el de la abrazadera de cuerda con perno en U.
Los clips dúplex (abrazaderas de cable de acero de doble perno) son adecuados para escenarios que requieren una mayor resistencia que las abrazaderas de cable de un solo perno, pero no requieren abrazaderas de cable forjado de alta resistencia debido a sus características de "carga media, sujeción estable e instalación flexible". Las áreas de aplicación específicas son las siguientes:
Industria ligera y fijación de equipos
Tracción y conexión de maquinaria pequeña: como la fijación de la cuerda colgante del implemento del tractor agrícola (adecuada para cables de acero de 8-10 mm, carga de tracción ≤2 toneladas), dispositivo tensor de cinta transportadora ligera para la línea de ensamblaje del taller (carga estática ≤1,5 toneladas), el diseño de doble perno puede resistir el aflojamiento causado por la vibración mecánica.
Asistencia de almacenamiento y logística: agrupación de carga de carretillas elevadoras, toros de tierra y otros equipos en el almacén (como la fijación de carga de paletas), la fuerza de sujeción de doble perno puede evitar que el cable se deslice durante el transporte, y el peso es más liviano que el abrazadera de cable estadounidense, que es fácil de transportar con el vehículo.
Instalaciones temporales para edificios: fijación de cable de acero en el borde de la red de seguridad del andamio (no portante, solo se usa para limitar), cables auxiliares de pequeños ascensores de construcción (deben cooperar con el diseño del factor de seguridad ≥3), la resistencia a la vibración de la carga del viento es mejor que las abrazaderas de cable de un solo perno.
Instalaciones al aire libre y proyectos de jardín
Vallas publicitarias para exteriores y fijación de iluminación: cable de acero de 6-10 mm que cuelga vallas publicitarias pequeñas y medianas (peso ≤500 kg), cuerdas auxiliares para postes de alumbrado público (resistencia a la carga del viento ≤8 niveles), la fuerza simétrica de pernos dobles puede reducir el deslizamiento del cable bajo vientos fuertes, el acero inoxidable 304 puede hacer frente a ambientes lluviosos.
Soportes de jardín y agrícolas: bastidores de uvas, fijación de cuerda de tracción de árboles frutales (adaptada a cables de acero de 4-6 mm), conexión de tirante de marco de invernadero, los pernos de ambos lados se pueden ajustar paso a paso durante la instalación para evitar apretar excesivamente los cables de acero delgados y causar roturas.
Instalaciones de luz de agua: fijación de cables submarinos de pequeñas fuentes de paisaje (modelo de acero inoxidable 316, para evitar la oxidación causada por la unión de algas), conexión de cables de límite de recintos de estanques de peces (carga ≤1 tonelada), la resistencia a la corrosión del agua es mejor que los modelos de acero al carbono.
Escenarios cotidianos y civiles
Accesorios para vehículos y vehículos recreativos: fijación de cuerda del soporte del toldo para vehículos recreativos, atascado auxiliar de la llanta de repuesto del vehículo todoterreno (carga estática), el diseño de doble perno tiene una baja probabilidad de aflojarse en condiciones de carreteras con baches y el peso ligero no agrega carga adicional.
Proyectos domésticos y de bricolaje: fijación de cuerda de estante de almacenamiento de loft (adecuado para cable de acero de menos de 6 mm, capacidad de carga ≤ 300 kg), colgado de artesanías de metal hechas a mano, no se requieren herramientas profesionales para la instalación, el apriete manual puede satisfacer las necesidades.
Q1: ¿Cuál es la principal diferencia entre las abrazaderas de cable de doble perno y las abrazaderas de cable de un solo perno (clips Simplex)?
Modo de fuerza: Los pernos dobles se distribuyen simétricamente a lo largo del eje del cable, lo que proporciona una fuerza de sujeción más uniforme (el área de contacto aumenta un 40%). Los pernos simples se someten a tensión unilateral, lo que puede causar fácilmente deformaciones locales en el cable.
Capacidad de carga: La carga nominal de las abrazaderas de cable de doble perno de la misma especificación es de 2 a 3 veces mayor que la de los pernos simples (como el adaptador de cable de 10 mm; los pernos dobles son de aproximadamente 2 toneladas y los simples de aproximadamente 0,8 toneladas).
Escenarios de aplicación: Los pernos dobles son adecuados para tensiones dinámicas leves (como entornos con vibraciones), mientras que los pernos simples solo son adecuados para cargas estáticas bajas (como cables de tracción fijos en interiores).
Q5: ¿Es necesario distinguir la dirección del cable principal y la cola del cable durante la instalación?
No es necesario distinguir. Las dos placas de presión de la abrazadera de cable de doble perno están diseñadas simétricamente. El cable principal y el extremo del cable se pueden insertar a voluntad. Durante la instalación, apriete previamente los pernos de un lado (hasta que encajen ligeramente en el cable) y luego ajuste los pernos del otro lado para asegurar que la fuerza de sujeción en ambos lados sea uniforme (se puede controlar con una llave dinamométrica, generalmente de 8 a 15 N·m, dependiendo del diámetro del cable).
Q3: ¿Cómo elegir el material adecuado?
Acero al carbono galvanizado: apto para interiores secos (como cuerdas de tracción en talleres), el más económico, pero se oxida fácilmente, con una vida útil de aproximadamente 1 a 2 años;
Acero inoxidable 304: apto para exteriores húmedos (como soportes de jardín), resistente a la corrosión por lluvia, con una vida útil de 3 a 5 años;
Acero inoxidable 316: utilizado en zonas costeras y con problemas químicos (como amarres ligeros en muelles), con una resistencia a la niebla salina de 2 a 3 veces mayor que la del 304, con una vida útil de 5 a 8 años y el más económico.
Si tiene alguna pregunta o necesidad sobre el producto, rellene el siguiente formulario y nos pondremos en contacto con usted lo antes posible.
Clip de cable de acero
Clip de cable de acero
Clip de cable de acero
Clip de cable de acero
Clip de cable de acero
Clip de cable de acero
Clip de cable de acero
Conozca Haosail, nuestras actualizaciones y todas las novedades, directamente en su bandeja de entrada.
Piso 7, Edificio 93, Sede de R&F, n.° 1, Changcheng South Road, Distrito de Chengyang, Ciudad de Qingdao, Provincia de Shandong, China 266109
Copyright © 2025 Qingdao Haosail Machinery Co., Ltd. Todos los derechos reservados. Desarrollado por Hicheng