HAOSAIL cuenta con más de 10 patentes de invención y 40 patentes de modelos de utilidad, lo que refleja nuestro compromiso con la I+D y el avance tecnológico.
Priorizamos rigurosos procesos de control de calidad y pruebas para garantizar el cumplimiento de las normas internacionales y los requisitos del cliente.
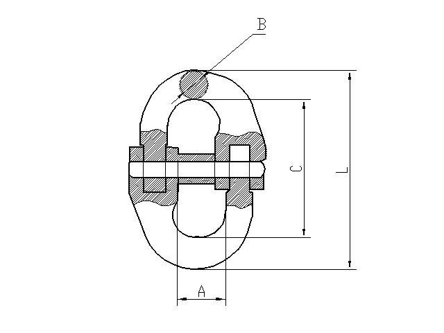
El eslabón de conexión G80 es un conector de elevación y elevación de alta resistencia y alta durabilidad, ampliamente utilizado en maquinaria de ingeniería, transporte de barcos, elevación de construcción, operaciones mineras y manejo logístico. Cumple con la norma internacional EN818, está hecho de acero aleado de alta calidad y se somete a forja de precisión, tratamiento térmico y tratamiento superficial para garantizar excelentes propiedades mecánicas y características antifatiga.
![]()
| Nº de inventario | Tamaño (mm) | WLL(t) | A (mm) | B(mm) | C(mm) | L(mm) | Peso (kg) |
| HS1020701 | 6 - 8 | 1.2 | 16.20 | 7.00 | 42.00 | 37.00 | 0.08 |
| HS1020702 | 7 - 8 | 2 | 20.50 | 8.50 | 58.00 | 48.00 | 0.16 |
| HS1020703 | 10 - 8 | 3.2 | 28.00 | 10.80 | 68.00 | 60.00 | 0.29 |
| HS1020704 | 13 - 8 | 5.3 | 30.00 | 15.00 | 90.00 | 76.00 | 0.60 |
| HS1020705 | 16 - 8 | 8 | 36.30 | 19.80 | 101.90 | 91.00 | 1.10 |
| HS1020706 | 18 - 20 | 12.5 | 44.00 | 24.00 | 121.00 | 109.00 | 1.80 |
| HS1020707 | 22 - 8 | 15 | 51.00 | 26.00 | 141.50 | 130.00 | 3.20 |
| HS1020708 | 26 - 8 | 21.2 | 58.00 | 30.00 | 161.00 | 152.00 | 4.50 |
| HS1020709 | 32 - 8 | 31.5 | 67.50 | 37.00 | 197.00 | 190.00 | 9.00 |
Material: acero aleado de alta resistencia y alta tenacidad
100% probado a 2,5 veces el límite de carga de trabajo
100% MPI para detección de grietas
Prueba de carga de rotura para muestras de cada lote
Prueba de fatiga a 1,5 veces el límite de carga de trabajo durante 20000 ciclos para muestras de cada lote
Inspección por corrientes de Foucault al 100% para la detección de defectos del pasador
El eslabón de conexión G80 es adecuado para la cadena EN818-2 G80
Equipos de elevación: conexión de elevación de grúas torre, grúas y carretillas elevadoras.
Puertos marítimos: agrupación y fijación de contenedores y cargas.
Campo industrial: elevación pesada de líneas de producción, instalación de equipos.
Operaciones de rescate: tracción segura o elevación a gran altura.
Q1: ¿De qué material está hecho el producto?
Generalmente se forja con acero aleado de alta calidad, templado y revenido, y presenta alta resistencia y buena tenacidad.
Q3: ¿Cuál es la carga límite de trabajo?
Los diferentes tamaños corresponden a diferentes cargas límite de trabajo. Cada pieza debe superar una prueba de 2,5 veces la carga límite de trabajo, y su carga límite generalmente es 4 veces la carga límite de trabajo.
Q3: ¿Qué normas cumple el producto?
Cumple con la norma europea EN 818-4, que especifica los requisitos relevantes para eslingas de cadena fabricadas con cadenas soldadas o ensambladas.
Q3: ¿Cuál es el tratamiento superficial?
El recubrimiento en polvo es común y el color se puede personalizar según los requisitos del cliente para brindar protección contra la corrosión y facilitar la identificación.
Q3: ¿Para qué cadenas son adecuadas?
Se utiliza principalmente para conectar cadenas de acero aleado G80 que cumplen con la norma EN 818-2, y también se puede utilizar con accesorios como ganchos y anillos principales.
Q3: ¿Cómo se realiza la inspección de calidad?
Se realizará una inspección de grietas con partículas magnéticas al 100%, se tomarán muestras de cada lote de productos y se probarán para detectar fracturas, se inspeccionará el 100% de los pasadores para garantizar una dureza constante y se realizarán pruebas de fatiga 20.000 veces a 1,5 veces el límite de carga de trabajo.
Si tiene alguna pregunta o necesidad sobre el producto, rellene el siguiente formulario y nos pondremos en contacto con usted lo antes posible.
Accesorios G80
Accesorios G80
Accesorios G80
Accesorios G80
Accesorios G80
Accesorios G80
Accesorios G80
Accesorios G80
Accesorios G80
Accesorios G80
Accesorios G80
Accesorios G80
Conozca Haosail, nuestras actualizaciones y todas las novedades, directamente en su bandeja de entrada.
Piso 7, Edificio 93, Sede de R&F, n.° 1, Changcheng South Road, Distrito de Chengyang, Ciudad de Qingdao, Provincia de Shandong, China 266109
Copyright © 2025 Qingdao Haosail Machinery Co., Ltd. Todos los derechos reservados. Desarrollado por Hicheng